Schaltung einer HC 260 M

  • Hallo liebe Elektriker,


    mir ist klar, dass ich zum wechseln der Zueitung einen Elektriker beauftragen muss. Ich mache das i.d.R. zunächst selbst und lass das von einem befreuendeten Elektromeister abnehmen. Leider kann ich ihn gerade nicht erreichen und wollte viellicht noch heute ein Kabel vom Baumarkt mitbringen.


    Es geht um einen Abricht- und Dicktenhobel HC 260 M Bj. 1988. Das Teil stand jetzt 20 Jahre in der Scheune und das Anschlusskabel muss gewechselt werden weil die Hülle bröselt. Da die einzelnen Adern sichtbar sind viel mir gleich auf, dass es vier Adern sind. Bei 230 V sind drei und bei 230/400 V fünf üblich. Allerdings wird ja bei letzterem N gar nicht benötigt, weshalb ja 4 Adern reichen. Ist das richtig so?


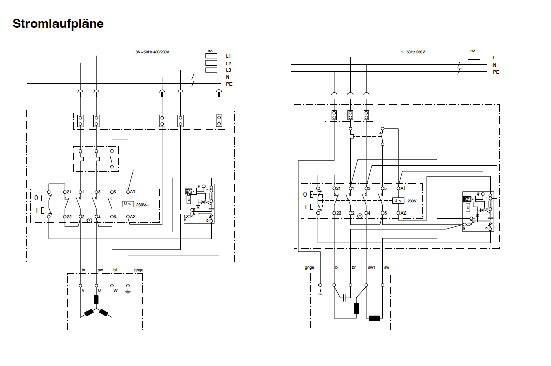
    Der Stromlaufplan aus der Bedienanleituing zeigt aber, dass N geschaltet werden soll.



    Der ist aber bei dem Originalkabel nicht belegt.


    Ist das so korrekt?


    Eine Frage vielleicht für kaneske u.a.

    Grüße

    Arkturus

    "Ein Hackintosh ist wie ein Garten - es gibt immer was zu tun"

  • Die Antwort lautet immer, es kommt darauf an.


    Denn wie auf dem Schaltplan zu sehen, scheint dort ein aktives Bauteil zu sein, das mit 230 V betrieben wird, wenn du das natürlich nicht mit Spannung versorgst dann kann es auch nicht schalten. Wie das so funktioniert haben soll, erschließt sich mir anhand des Schaltbildes erst mal nicht. Ein bisschen mehr Informationen bräuchte ich schon, hat das Gerät einen Schalter? Oder läuft es direkt los, wenn du den Stecker einsteckst?

  • Moin,

    Wenn Du den Motor mit 400V betreibst, brauchst Du keinen Null! Der Schaltplan zeigt die Einschaltung mit Schützschaltung.

    2.) 13.5 auf x250 i7 2.6GHz 8GB HD5500 auf 500GB SSD mit OC 8.8

    3.) BS + Win10 auf Q520 mit OC

    4.) 10.6.8 auf eeePC

    5.) Surface Pro 7 mit Ventura & Win11

  • Wenn er den Motor in wie gezeigt Symmetrischer Sternschaltung betriebt braucht der Motor keinen N, ja aber die Schaltung davor braucht einen N wie es aussieht daher meine Fragen zur Ansteuerung des Motors.


    Die Aussage von wellini ist genau das was ich vermeiden will, pauschal „ja es geht“ es ist konkret abhängig vom Gerät, nicht dem Motor selbst.


    Sind wir im Privatumfeld ja oder?

  • Also vorweg, ich bin selber Elektromeister.

    Alles was in der gestrichelten Umrandung ist, ist die Ansteuerung ( hier gezeichnet als Schützansteuerung) und da hat kaneske recht wenn Du den Motor so Einschalten willst, brauchst Du ei en Null. Wenn Du den Motor mit Stecker und 3Phasenschalter betreibst, dann nicht.

    2.) 13.5 auf x250 i7 2.6GHz 8GB HD5500 auf 500GB SSD mit OC 8.8

    3.) BS + Win10 auf Q520 mit OC

    4.) 10.6.8 auf eeePC

    5.) Surface Pro 7 mit Ventura & Win11

  • Das ist mir klar, kaneske. Deshalb hatte ich nachgefragt.
    bin jetzt gerade unterwegs und habe ein 5x1,5 Kabel mitgenommen. 4adrig gibt’s eh nicht von der Stange. Das neue Kabel könnte vielleicht nicht durch die Kabeldurchführung am Stecker passen aber da hätte ich einen mit Quetschdichtung, der passt.
    Es ist ein Motorschutzschalter dazwischen, der auch Notaus hat und bei Stromausfall neu wieder eingeschaltet werden muss. Er muss demnach ein Schütz haben. Kann noch ein Bild machen.
    Das funktioniert ja mit 4 Adern wie es soll. Das hat mich trotzdem irritiert, weshalb ich erstmal hier gefragt habe.
    Aber ich denke ich bau das zusammen wie es war und bei der Abnahme kann mein Elektriker sich das anschauen. Wenn die. Kiste auf ist mache ich von allem Bilder dann sieht er das.
    Danke erstmal für die Meinungen und schönes Wochenende.

    Grüße

    Arkturus

    "Ein Hackintosh ist wie ein Garten - es gibt immer was zu tun"

  • Moin,

    Wenn Du den Motor mit 400V betreibst, brauchst Du keinen Null! Der Schaltplan zeigt die Einschaltung mit Schützschaltung.

    Herr Meister das ist faktisch falsch, es ist kein Schütz noch eine Ansteuerung das ist ein Schalter mit Unterspannungsauslösung, wie er sich bei Geräten wiederfindet die noch Spannungsfreiem Zustand halt noch automatisch wiederanlaufen sollen wenn mal jemand den Stecker im Betrieb zieht…

  • ja, es sieht genau so aus:


    Die Magnetspule wird zwischen zwei Phasen geschaltet und hat 380V.


    Ich muss ja das Kabel eh erneuern und stelle somit auf 5x1,5 um. Da möchte ich jetzt auch den Notaus griffbereit plazieren, der liegt jetzt unterhalb des Ausgabtisches und ist beim Abrichten quasi nicht erreichbar. Da wäre dieses Teil wohl geeignet und brauchbar?



    In dem Schaubild ist in der Zuleitung zum Motor eine weiße Ader abgebildet. Ist diue für eine Thermokontakt vorgesehen udfn sollte man den Nachrüsten?


    Da die Zuleitung eh zu kurz ist, kann ich auch gleich einen Schalter ohne diese kaufen.


    Bei diesem Schalter ist das gleiche Schaltbild ohne N zu sehen. Das wäre dann ohne Thermokontakt zu schalten. Wie erfolgt hier eigentlich der Motorschutz?


    Grüße

    Arkturus

    "Ein Hackintosh ist wie ein Garten - es gibt immer was zu tun"

    Edited once, last by Arkturus ().

  • PN mich mal…

  • Arkturus

    Added the Label Erledigt